1、阀体为精密铸造阀体,二次抛丸处理、外观精细,材质达标
2、内件数控精密设备加工,保证精度
3、双向密封零泄漏
4、阀板堆焊硬质合金,增强耐磨性;
5、阀座可以根据工况选择四氟软密封或金属硬密封;
6、阀体采用粉沫环氧树脂静电涂装,喷涂厚度达到250μm,有效防止阀体与介质接触造成的腐蚀与生锈
7、每台阀门出厂均按照国家标准做壳体、密封双层压力检测
旋球阀同时兼具蝶阀、半球阀、闸阀和截止阀的功能和优点,又有自身完全与众不同的强大功能和优点。能自动对正中心,并能自动越程补偿磨损。关闭时充分利用旋球阀内介质的能量,自动加以极高密封比压,使高硬密封副达到可靠的零泄漏。瞬间关闭、瞬间打开密封副间无摩擦。旋球阀其主体结构类似蝶阀,具有蝶阀的结构短、体积小的特点,因而可制造特大口径、超大口径的阀门。

| 名称 | 设计及制造 | 结构长度 | 试压标准 | 法兰标准 | ||
| 参照标准 | JB/T 14317 | GB/T 12221 | GB/T 13927 | GB/T 9113 | ||
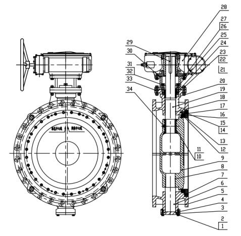
| 二、主要零部件信息: | ||||||
| 名称 | 1-阀体 | 9-阀板 | 12-阀座密封 | 8-阀杆 | ||
| 材质及说明 | WCB | WCB+堆焊合金 | A105+堆焊合金 | 2Cr13 | ||
| 三、尺寸信息: | ||||||
| SIZE | ||||||
| DN | NPS | L | ΦD | ΦD1 | ΦD2 | n-Φd |
| 50 | 2'' | 108 | 165 | 125 | 102 | 4-18 |
| 65 | 2 1/2'' | 112 | 185 | 145 | 122 | 4-18 |
| 80 | 3'' | 114 | 200 | 160 | 138 | 8-18 |
| 100 | 4'' | 127 | 220 | 180 | 158 | 8-18 |
| 125 | 5'' | 140 | 250 | 210 | 188 | 8-18 |
| 150 | 6'' | 140 | 285 | 240 | 212 | 8-22 |
| 200 | 8'' | 152 | 340 | 295 | 268 | 12-22 |
| 250 | 10'' | 165 | 405 | 355 | 320 | 12-26 |
| 300 | 12'' | 178 | 460 | 410 | 378 | 12-26 |
| 350 | 14'' | 190 | 520 | 470 | 438 | 16-26 |
| 400 | 16'' | 216 | 580 | 525 | 490 | 16-30 |
| 450 | 18'' | 222 | 640 | 585 | 550 | 20-30 |
| 500 | 20'' | 229 | 715 | 650 | 610 | 20-33 |
| 600 | 24'' | 267 | 840 | 770 | 725 | 20-36 |
| 700 | 28'' | 292 | 910 | 840 | 795 | 24-36 |
| 800 | 32'' | 318 | 1025 | 950 | 900 | 24-39 |
| 900 | 36'' | 330 | 1125 | 1050 | 1000 | 28-39 |
| 1000 | 40'' | 410 | 1255 | 1170 | 1115 | 28-42 |