阀门优势
1. 阀体为精密铸造阀体或者整段无缝钢管,材质性能达标,外观精细;
2. 蝶板为数控精密机床加工,精度高
3. 密封圈为软硬多层叠式金属圈,具有金属和弹性密封的双重优点,确保在高温、低温环境下均有优良的密封性能
4. 阀杆采用不锈钢420材质,经过调质处理使阀杆的强度提高一倍
5. 每台产品的蜗轮调节螺丝均配有保护螺帽,保护调节螺丝不受损坏
6. 每台阀门出厂均按照国家标准做壳体、密封双层压力检测
7.可以根据客户工况要求做双向密封及全金属硬碰硬密封
阀门概况
焊接硬密封蝶阀,采用三偏心多层次金属硬密封结构,被广泛用于冶金 、电力、石油化工、以及给排水和市政建设等工业管道上,作调节流量和截断流体使用;具有金属硬密封和弹性密封的双重优点,无论在低温和高温的情况下,均具有优良的密封性能,具有耐腐蚀,使用寿命长等特点。

| 可选配置 | 阀体 | 阀座密封 | 蝶板 | 阀轴 | 执行器 |
| WCB/CF8/ CF8M/ CF3M/20# | 13cr/304/316/STL | WCB/CF8/ CF8M/ CF3M | 2Cr13/304/316 | 蜗轮/电动/气动 |
| 名称 | 设计及制造 | 结构长度 | 试压标准 | 坡口连接尺寸 |
| 参照标准 | JB/T 8527 | GB/T 12221 | GB/T 13927 | GB/T 12224 |
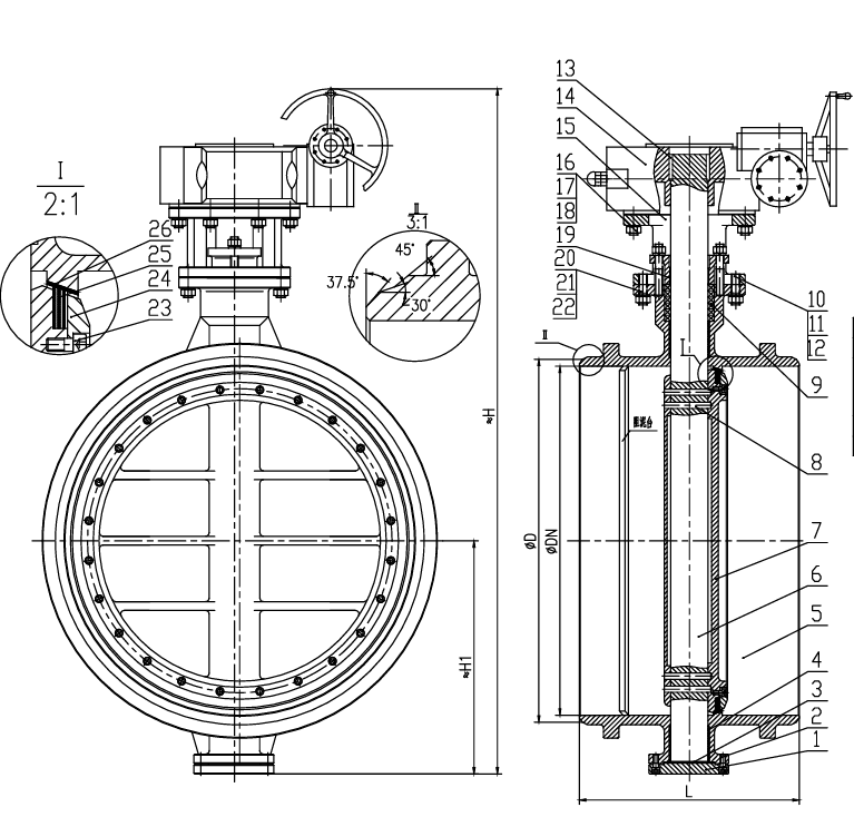
| 名称 | 5-阀体 | 25-密封圈 | 7-蝶板 | 6-阀杆 |
| 材质及说明 | WCB | 430+石墨 | WCB | 2Cr13 |
| 公称尺寸 |
| PN25 |
|
| DN | NPS(英寸) | L | D | H1 | H |
|
| 100 | 4'' | 190 | 110 | 100 | 380 |
|
| 125 | 5'' | 200 | 135 | 110 | 400 |
|
| 150 | 6'' | 210 | 161 | 130 | 450 |
|
| 200 | 8'' | 230 | 222 | 210 | 550 |
|
| 250 | 10'' | 250 | 278 | 240 | 630 |
|
| 300 | 12'' | 270 | 330 | 280 | 720 |
|
| 350 | 14'' | 290 | 382 | 310 | 820 |
|
| 400 | 16'' | 310 | 432 | 350 | 920 |
|
| 450 | 18'' | 330 | 484 | 390 | 1060 |
|
| 500 | 20'' | 350 | 535 | 430 | 1130 |
|
| 600 | 24'' | 390 | 636 | 500 | 1280 |
|
| 700 | 28'' | 430 | 726 | 570 | 1480 |
|
| 800 | 32'' | 470 | 826 | 630 | 1610 |
|
| 900 | 36'' | 510 | 926 | 690 | 1860 |
|
| 1000 | 40'' | 550 | 1028 | 760 | 2040 |
|
| 1200 | 48'' | 630 | 1228 | 850 | 2240 |
|