1、主体材质选用QT450或WCB,化学成分和力学性能达到国家规定标准要求,可提供材质报告
2、阀体及零部件均采用数控机床加工,确保产品精度
3、采用体密封结构,区别于市场常规的板密封结构,可实现双向密封
4、有橡胶软密封及不锈钢硬密封可选,阀板及其他零部件也可根据工况选配材质
5、阀座堆焊不锈钢,更耐磨,使用寿命更长
6、阀轴采用自润滑式套筒轴承支撑,减少摩擦和扭矩
7、采用世界著名品牌阿克苏环氧树脂喷涂,喷涂厚度达250um
8、每台阀门出厂均按照国家标准试压,不合格产品绝不出厂
伸缩蝶阀除了能作调节和截流作用,还能补偿管道温差所产生的热胀冷缩,也能为安装更换、维修阀门提供方便。双偏心伸缩蝶阀主要适用于水厂、电厂、钢厂冶炼、化工、水源泉工程、环境设施建设等系统排水用,尤其适用于水道管路上。和中线蝶阀相比, 双偏心蝶阀更耐高压, 寿命更长, 稳定性好。 和其它阀门相比, 口径越大材料越轻,成本就更低。

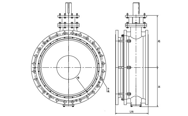
| 名称 | 设计与制造标准 | 结构长度 | 试压标准 | 侧法兰尺寸 | |||
| 参照标准 | GB/T 12238 | GB/T 12221 | GB/T 13927 | GB/T 17241.6 | |||
| 名称 | 1-阀体 | 2-密封 | 3-蝶板 | 4-阀轴 | |||
| 材质及说明 | QT450-10 | EPDM | QT450-10 | 2Cr13 | |||
| 公称尺寸 | L | 伸缩量 | PN10 | PN16 | |||
| DN | NPS(英寸) | φK | n-φd | φK | n-φd | ||
| 100 | 4'' | 190 | ±10 | 180 | 8-φ19 | 180 | 8-φ19 |
| 125 | 5'' | 200 | ±10 | 210 | 8-φ19 | 210 | 8-φ19 |
| 150 | 6'' | 210 | ±10 | 240 | 8-φ22 | 240 | 8-φ22 |
| 200 | 8'' | 230 | ±10 | 295 | 8-φ22 | 295 | 12-φ22 |
| 250 | 10'' | 250 | ±10 | 350 | 12-φ22 | 355 | 12-φ28 |
| 300 | 12'' | 270 | ±10 | 400 | 12-φ22 | 410 | 12-φ28 |
| 350 | 14'' | 290 | ±10 | 460 | 16-φ22 | 470 | 16-φ28 |
| 400 | 16'' | 310 | ±10 | 515 | 16-φ28 | 525 | 16-φ31 |
| 450 | 18'' | 330 | ±15 | 565 | 20-φ28 | 585 | 20-φ31 |
| 500 | 20'' | 350 | ±15 | 620 | 20-φ28 | 650 | 20-φ34 |
| 600 | 24'' | 390 | ±15 | 725 | 20-φ31 | 770 | 20-φ37 |
| 700 | 28'' | 430 | ±15 | 840 | 24-φ31 | 840 | 24-φ37 |
| 800 | 32'' | 470 | ±15 | 950 | 24-φ34 | 950 | 24-φ40 |
| 900 | 36'' | 510 | ±20 | 1050 | 28-φ34 | 1050 | 28-φ40 |
| 1000 | 40'' | 550 | ±20 | 1160 | 28-φ37 | 1170 | 28-φ43 |
| 1200 | 48'' | 630 | ±30 | 1380 | 32-φ40 | 1390 | 32-φ49 |
| 1400 | 56'' | 710 | ±30 | 1590 | 36-φ43 | 1590 | 36-φ49 |
| 1600 | 64'' | 790 | ±30 | 1820 | 40-φ49 | 1820 | 40-φ56 |
| 1800 | 72'' | 870 | ±30 | 2020 | 44-φ49 | 2020 | 44-φ56 |
| 2000 | 80'' | 950 | ±30 | 2230 | 48-φ49 | 2230 | 48-φ62 |