联系电话:186-5392-9185(微信同号)
双偏心蝶阀D342X-10/16Q
型 号D342X-10/16Q
通 径DN50-DN2400
压 力PN10/16
温 度-20~120℃
主 材球墨铸铁
介 质淡水、污水、海水、弱酸碱、空气、蒸汽等
全国服务热线 18653929185(微信同号)

阀门优势

1、阀体/阀板采购QT450-10材料、球化率3级以上、保化验,机械性能完全达标
2、阀轴使用自润滑式套筒轴承作为支撑、可以减少阀轴传动过程中生产的摩擦、并降低扭矩
3、阀座堆焊不锈钢,确保阀板与阀座密封性
4、同等口径重量重于其他厂家
5、从毛坯到成品包装出厂每个环节层层质检

阀门概况

444.jpg

执行标准设计及制造结构长度试压标准上法兰尺寸侧法兰尺寸
GB/T 12238-2008GB/T 12221-2008GB/T 13927-2008ISO 5211GB/T 17241.6-2008
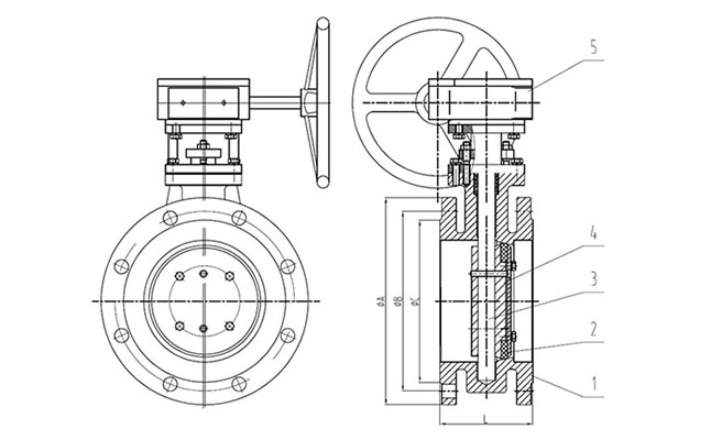
主要部件信息1-阀体2-阀座密封3-蝶板4-阀轴5-涡轮
球墨铸铁DI三元乙丙橡胶EPDM球墨铸铁DI45#<DN800单级;≥DN800双级
尺寸信息公称尺寸PN10结构长度PN16
DNNPS(英寸)ABCLABC
50 2''1651259910816512599
65 2  1/2''185145118112185145118
80 3''200160132114200160132
100 4''220180156127220180156
125 5''250210184140250210184
150 6''285240211140285240211
200 8''340295266152340295266
250 10''395350319165405355319
300 12''445400370178460410370
350 14''505460429190520470429
400 16''565515480216580525480
450 18''615565530222640585548
500 20''670620582229715650609
600 24''780725682267840770720
700 28''895840794292910840794
800 32''10159509013181025950901
900 36''111510501001330112510501001
1000 40''123011601112410125511701112
1200 48''145513801328470148513901328
1400 56''167515901530530168515901530
1600 64''191518201750600193018201750
1800 72''211520201950670213020201950
2000 80''232522302150760234522302150
2200 88''255024402295800255024402295
2400 96''276026502495850276026502495

推荐阀门

©2019品工泵阀制造(山东)有限公司版权所有地址:山东省临沂市兰陵县新兴镇北辛庄村泵阀科技产业园

微信(电话同号)
186-5392-9185

抖音

快手