联系电话:186-5392-9185(微信同号)
D71F-16P不锈钢衬四氟蝶阀
型 号D71F-16P
通 径DN50-200
压 力PN1.0-1.6Mpa
温 度≤150℃
主 材不锈钢304、316
介 质污水、海水、石油、强酸碱及有机溶剂等
全国服务热线 18653929185(微信同号)

阀门优势

1.结构简单紧凑,重量较轻,便于装拆和维修。
2.操作扭距较小,转90°启闭轻便迅速。
3.流阻小,流量特性近似倾斜直线,节能效果好。
4.密封可靠,泄漏为零,使用寿命长。
5.不锈钢+聚四氟乙烯材质,耐腐蚀性更强。

阀门概况

D71F-16P不锈钢衬四氟蝶阀由四氟密封蝶阀和不锈钢蝶板、阀杆构成。阀体采用不锈钢304、316,密封圈为聚四氟,具有良好的耐腐蚀性,使用寿命长。对夹式连接,阀门的安装、拆卸、使用都非常方便。整个蝶阀小巧轻便,密封性可靠,抗酸抗腐蚀性强,在供排水,发电,石油,化工,冶炼等领域都有广泛应用,适用于各种介质。

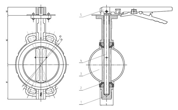
图纸.jpg

阀门执行标准名称设计制造结构长度侧法兰尺寸上法兰尺寸试压
参照标准GB/T 12238GB/T 12221

CLASS 150/PN6/PN10/PN16

/5K/10K/TABLED

/TABLE E

ISO 5211GB/T 13927-2008
主要零部件信息名称1-阀体2-阀座3-蝶板4-阀轴5-手柄
材质铸铁/球铁(CI/DI)三元乙丙橡胶(EPDM)球墨铸铁(DI)不锈钢410碳钢
尺寸信息DNINH1 H2H3∅A ∅BL
401.5"65128321109533
502"751293212510543
652.5"821363214512746
803"991533216014546
1004" 11016732190.516552
1255"1251933221620056
1506"14520932241.322556
2008"17025140298.428060



推荐阀门

©2019品工泵阀制造(山东)有限公司版权所有地址:山东省临沂市兰陵县新兴镇北辛庄村泵阀科技产业园

微信(电话同号)
186-5392-9185

抖音

快手