1.结构简单紧凑,重量较轻,便于装拆和维修。
2.操作扭距较小,转90°启闭轻便迅速。
3.流阻小,流量特性近似倾斜直线,节能效果好。
4.密封可靠,泄漏为零,使用寿命长。
5.可用各种材料制成,适用于各种介质。
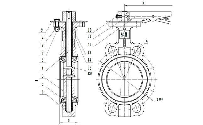
D71F手柄对夹全衬氟蝶阀:对夹式衬四氟蝶阀是为了适应一些具有强酸、强碱的腐蚀性环境,石油、化工、食品等多个特殊领域的需要,使用聚四氟乙烯制成的阀体,具有很强的防腐效果。在常规条件下可以替代不锈钢阀体,具有更高的性价比。般德阀门生产的D71F手柄对夹全衬氟蝶阀具有功能强、体积小、轻便宜人,性能可靠、配套简单、流通能力大,特别是适合于介质是粘稠、含颗粒、纤维性质的场合。该产品作为一种用来实现管路系统通断及流量控制的元件,已在石油、化工、冶金、水电等许多领域中得到极为广泛地应用。

| 阀门执行标准 | 名称 | 设计及制造 | 结构长度 | 试压标准 | 侧法兰尺寸 |
| 参照标准 | GB/T 12238-2008 | GB/T 12221 | GB/T 13927-2008 | GB/T 9113.1 | |
| 主要零部件信息 | 名称 | 阀体 | 蝶板 | 密封圈 | |
| 材质 | 灰铸铁、球墨铸铁、碳钢 | 铸钢、不锈钢及特殊材料 | 聚四氟乙烯 | ||
| 尺寸信息 | DN | L | ∅D | ∅D1 | |
| 50 | 43 | 165 | 125 | ||
| 65 | 46 | 185 | 145 | ||
| 80 | 46 | 200 | 160 | ||
| 100 | 52 | 220 | 180 | ||
| 125 | 56 | 285 | 210 | ||
| 150 | 56 | 285 | 240 | ||
| 200 | 60 | 340 | 295 | ||