1、主体材质化学成分和力学性能完全符合国家标准
2、所有焊接均为满焊,确保密封性
3、法兰均采模锻生产,晶体组织细密,强度高,不会出现晶粒大或不均,硬化裂纹现象
4、加装限位拉杆,保护不锈钢波。
波纹补偿器是现在管道中经常使用的补偿元件之一。它主要利用其工作主体不锈钢波纹管的有效伸缩变形,以吸收管道由热胀冷缩等原因而产生的尺寸变化,或补偿管道的轴向、横向和角向位移。

| 名称 | 设计及制造 | 试压标准 | 法兰标准 | |||
| 参照标准 | GB/T 12777 | GB/T 12777 | GB/T 9113 ASME B16.5 | |||
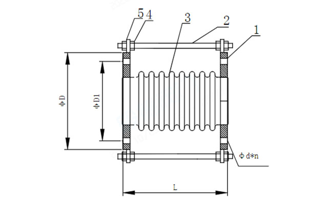
| 名称 | 1-法兰 | 2-拉杆 | 3-波纹管 | |||
| 材质及说明 | Q235 | Q235 | 304 | |||
| 尺寸信息 | DN | NPS | L | ΦD | ΦD1 | n-Φd |
| 50 | 2'' | 170 | 150 | 120.5 | 4-18 | |
| 65 | 2 1/2'' | 180 | 180 | 139.5 | 4-18 | |
| 80 | 3'' | 200 | 190 | 152.5 | 4-18 | |
| 100 | 4'' | 220 | 230 | 190.5 | 8-18 | |
| 125 | 5'' | 280 | 255 | 216 | 8-22 | |
| 150 | 6'' | 280 | 280 | 241.5 | 8-22 | |
| 200 | 8'' | 340 | 345 | 298.5 | 8-22 | |
| 250 | 10'' | 400 | 405 | 362 | 12-26 | |
| 300 | 12'' | 420 | 485 | 432 | 12-26 | |