1. 阀体球化率3级,抗拉强度450Mpa,延展率大于10%
2. 阀芯可采用纯铜材质配件进行研磨后安装
3. 阀体及内件为数控精密机床加工,精度高
4. 导管采用黄铜或不锈钢材质
5. 阀体采用粉沫环氧树脂静电涂装,喷涂厚度达到250μm
6. 每台阀门出厂均按照国家标准做壳体、密封双层压力检测
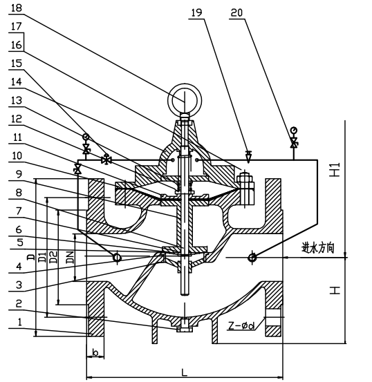
200X减压阀,是一种利用介质自身能量来调节与控制管路压力的阀门。200X减压阀用于生活给水、消防给水及其它工业给水系统,通过调节减压导阀,即可调节主阀的出口压力。出口压力不因进口压力、进口流量的变化而变化,安全可靠地将出口压力维持在设定值上,并可根据需要调节设定值以达到减压目的。减压精确,性能稳定,安装调节方便,使用寿命长。

