1、主体采用高品质碳素钢,材质成分性能达标;
2、滤网采用不锈钢304材质,耐腐蚀耐用;
3、焊接采用机器人自动焊接一次成型,焊缝平整牢固;
4、滤网目数可根据客户需要定制;
5、采用柔性石墨密封垫片,耐高温密封性好;
6、每台产品出厂前均按国家标准试压检测。
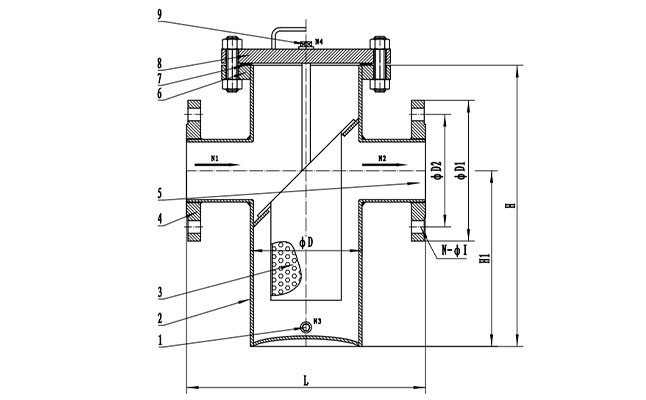
篮式过滤器主要由接管、主管、滤篮、法兰、法兰盖及紧固件等组成。当介质通过主管进入滤篮后,固体杂质颗粒被阻挡在滤篮内,而洁净的流体通过滤篮,由过滤器出口排出。当需要清洗时,旋开主管底部螺塞,排净流体,拆卸法兰盖,清洗后重新装入即可。因此,使用维护非常方便。

| 名称 | 设计及制造 | 试压标准 | 法兰标准 | |
| 参照标准 | SH/T 3411-2017 | GB/T 13927-2008 | HG/T 20592-2009 | |
| 名称 | 1-排污口 | 2-筒体 | 3-滤网 | 7-垫片 |
| 材质及说明 | Q235 | Q235 | 304 | 柔性石墨 |
| DN | NPS | L | H | H1 |
| 15 | 1/2'' | 180 | 260 | 160 |
| 20 | 3/4'' | 180 | 260 | 160 |
| 25 | 1'' | 180 | 260 | 160 |
| 32 | 1 1/4'' | 200 | 270 | 160 |
| 40 | 1 1/2'' | 260 | 300 | 170 |
| 50 | 2'' | 260 | 300 | 170 |
| 65 | 2 1/2'' | 330 | 360 | 240 |
| 80 | 3'' | 340 | 400 | 250 |
| 100 | 4'' | 400 | 470 | 300 |
| 125 | 5'' | 480 | 550 | 360 |
| 150 | 6'' | 500 | 630 | 420 |
| 200 | 8'' | 560 | 780 | 530 |
| 250 | 10'' | 660 | 930 | 640 |
| 300 | 12'' | 750 | 1200 | 840 |
| 350 | 14'' | 810 | 1370 | 920 |
| 400 | 16'' | 900 | 1500 | 950 |